The WPLN right-angle planetary gearbox is equipped with a hypoid gear, which is very quiet during operation, the synchronous operation performance is optimized, and the workpiece processing quality of the application equipment is greatly improved. And thanks to the hypoid gears, this gearbox runs smoothly and quietly with reduced amplitude. WPLN right-angle planetary gearbox full model size drawings can be downloaded online, and gearbox selection can be used for reference. You can contact the technology for selection service, and provide the dynamic load diagram of the gearbox and motor.
WPLN planetary gearbox size chart:

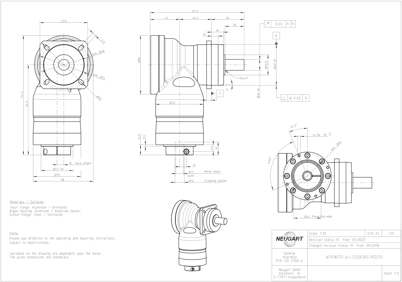
WPLN70 gearbox size drawing

WPLN90 gearbox size drawing

WPLN115 gearbox size drawing
WPLN planetary gearbox size chart download:
WPLN070 reference drawing.zip
WPLN090 reference drawing.zip
WPLN115 reference drawing.zip
WPLN142 reference drawing.zip